欢迎进入贵州省旅游规划设计院 贵州大观治成规划设计院官方网站!
13985597713
网站首页
关于我们
公司简介
分支机构
企业文化
主要业务
团队风采
专家智库
在线地图
洞见文旅
文旅前沿
行业动态
考察调研
成果展示
旅游规划
水利风景区
风景园林
康养产业
A级景区创建
国土空间/城乡规划
建筑设计
乡村振兴
室内设计
工资咨询
视频制作
品牌设计
营销推广
景区运营
业务培训
景区运营
战略咨询
制度建设
标准化体系建设
精细化管理
导游词编写
景区主题歌创作
大观书院
学术交流
生态文明新时代
政策标准
相关政策
行业标准
标准制定
关于我们
公司简介
分支机构
企业文化
主要业务
团队风采
专家智库
在线地图
洞见文旅
文旅前沿
行业动态
考察调研
成果展示
旅游规划
水利风景区
风景园林
康养产业
A级景区创建
国土空间/城乡规划
建筑设计
乡村振兴
室内设计
工资咨询
视频制作
品牌设计
营销推广
景区运营
业务培训
景区运营
战略咨询
制度建设
标准化体系建设
精细化管理
导游词编写
景区主题歌创作
大观书院
学术交流
生态文明新时代
政策标准
相关政策
行业标准
标准制定
行业标准
政策标准
相关政策
>
行业标准
>
标准制定
>
行业标准
您的位置:
首页
>>
政策标准
>>
行业标准
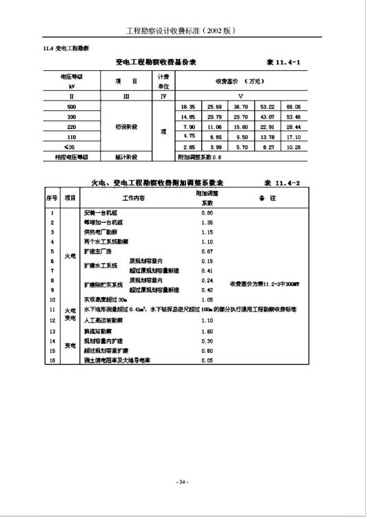
《工程勘察设计收费标准》_2002年修订本
2024-11-22
770
返回列表
上一篇:
《水利风景区评价规范》2023
下一篇:
《国家计委关于印发建设项目前期工作咨询收费暂行规定的通知》(计价格【1999】1283号)
关于我们
洞见文旅
成果展示
景区运营
大观书院
政策标准
贵州省旅游规划设计院 贵州大观治成规划设计院
手机:13385115581
电话:13985597713
邮箱:2507604031@qq.com
地址:贵州省贵阳市南明区花果园中央商务区6栋16楼1-5号
Copyright © 2026 贵州省旅游规划设计院 贵州大观治成规划设计院 版权所有
黔ICP备2024018784号-1
贵公网安备52010202003842号